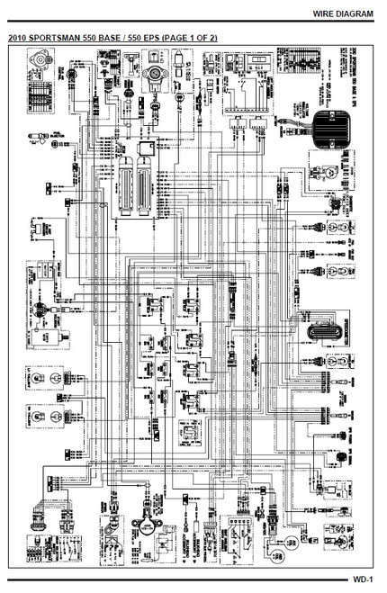
2010 Polaris Sportsman 550 Wiring Diagram

2010 850 xp wiring diagram.
2010 polaris sportsman 550 wiring diagram. With this sort of an illustrative manual you are going to have the ability to troubleshoot avoid and total your projects easily. Here is a copy of the 850 xp wiring diagram the area you re interested in for a 550 shouldn t be that different. Polaris sportsman 500 wiring diagram pdf you will need an extensive skilled and easy to comprehend wiring diagram. Free 2007 polaris sportsman 500 factory service manual.
2010 polaris 550 sportsman 4x4 shift problems. Preview this manual 2005 polaris sportsman 700 800 efi service manual original polaris sportsman service manual for 700 800 efi models. Why would a motor lock up. Shop for oem maintenance replacement repair and service parts online for polaris sportsman 4 wheelers.
2003 polaris sportsman 700 carburator manual. Its a pdf file that you can zoom in but if you zoom too much the fine print gets blurry. If you dont find a short i d check those diodes. Sportsman free 2010 polaris xp wiring diagram.
2011 sportsman x2 850 2011 sportsman tour 850 2011 sportsman international 2011 sportsman touring 850 2011 sportsman xp 850. 2002 polaris sportsman shifter link adjustment. Manual covers all aspects of repair and servicing 2005 polaris sportsman 400 500 atvs it includes wiring diagrams specifications download this manual. 05 polaris sportsman 400 differential diagrams.
2007 front drive shaft removal polaris sportsman xp. Hard shifting gears polaris sportsman 550. Below is the information on the 2010 polaris sportsman 550. Looks like there are some diodes in the lighting circuits.
View online or download polaris 2010 sportsman x2 550 efi owner s manual. 2010 polaris sportsman 550 videos 2010 polaris sportsman 550 pictures prices information and specifications. View and download polaris sportsman 850 service manual online. Original 2005 polaris sportsman 400 500 service manual.
Where is the differential fluid on 2011 sportsman 550. What causes valve sticking on 96 sportsman. Show picture of where is the fuel shut off valve on a 2009 sportsman 500 ho. Polaris 2010 sportsman x2 550 efi pdf user manuals.